LCVCO设计-Current-biased和Voltage-biased结构比较
Current-biased和Voltage-biased结构比较
Voltage-biased结构的Q值衰退
Voltage-biased结构VCO工作时,一边MOS管进入线性区,瞬态阻抗Ron小于Rp,降低LC tank的Q值



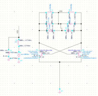
仿真tb:电流相同,谐振频率相同,分别采用Current-biased和Voltage-biased结构


工作波形:
Voltage-biased结构,一个管子处于线性区,另一个处于亚阈值区,Ron小于Rp,Q值降低;

Current-biased结构,一个管子处于线性区,另一个处于亚阈值区,Ron远大于Rp,Q值保持不变;


具体表现为,相同bias电流和VCO谐振频率下,Voltage-biased结构的相噪更差

Current-biased结构的高频寄生
Current-biased结构的尾电流管需要保证较大的尺寸,来减少对VCO输出电压摆幅的限制。当VCO工作频率较高时,尾电流管的drain端到gnd的寄生电容会降低差分对管的source端共模阻抗,寄生电容大到一定程度时,Current-biased结构近似于Voltage-biased结构,tank Q值出现衰退。理想电流源并联理想电容,相噪、效率、FOM和谐振频率随理想电容容值变化曲线如下所示:



随着尾电流源并联电容增大,VCO效率约下降30%,相噪最大恶化3.8dB,FOM最大恶化3.8dB,当电容超过1pF后,源端共模阻抗基本为0,Current-biased结构近似于Voltage-biased结构。
Current-biased结构理想电流源替换为MOS管后,MOS管尺寸取值需要一个平衡点:(1)大尺寸MOS管电流源偏置的共模阻抗更低,对于共模干扰抑制更差,且MOS管的电流热噪声也会更大;(2)小尺寸MOS管电流源偏置的共模阻抗较高,对于共模干扰抑制更好,但是会额外占据电压裕度,减小VCO输出摆幅上限,同样会恶化VCO相噪。

大尺寸MOS管电流源偏置的共模阻抗更低的问题可以通过尾部LC二次谐波滤波结构解决:

存在最优尾部LC tank,实现高共模阻抗,增大VCO输出摆幅,改善相噪。最优点近似于理想电流源的相噪。
Class C结构VCO则能避免尾部寄生电容的影响,并利用寄生电容产生虚地点。其主要原理及好处是:
(1)额外的栅极偏置使差分管一直处于饱和区,避免了进入线性区导致的Q值衰退,尾电流管噪声流向虚地点;
(2)减少差分管导通角,电流作为脉冲信号注入,减少共模噪声注入时间;
(3)相比于Class B类VCO,Class C类VCO拥有更好的效率和FOM,栅极偏置VGS接近Vth,适用于低功耗设计;
电源噪声对两种bias结构的影响
由于AM-FM调制,VCO输出端的噪声功率谱密度为:

其中dC/dA等效于变容管的Kvco,VCO输出端的相噪为

近端的低频噪声调制到VCO输出。保证变容管两端压差不变,有利于抑制电源闪烁噪声调制到VCO输出。
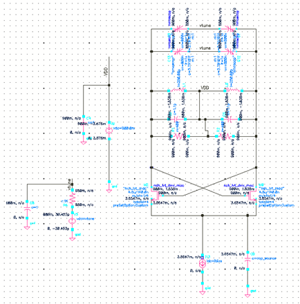
仿真tb:电源模拟近端噪声,Current-biased采用理想电流源




相同变容管和Vctrl电压、VDD电源,Current-biased的非线性电容比Voltage-biased的非线性电容更少,因此Current-biased的Kvco比Voltage-biased的Kvco更小:

相比于没有电源噪声的VCO相噪,Current-biased结构对电源噪声抑制更好:


结论
由1,2,3分析可得:
(1)在频率不高时Current-biased结构具有一定优势,能够抑制VCO的Q值衰退,同时增大源端共模阻抗,抑制共模干扰;
(2)但是当VCO工作频率较高,Current-biased结构的大尺寸尾电流管的并联寄生电容引入额外的低阻通路,出现Q值衰退,共模阻抗下降,近似于Voltage-biased结构,同时会额外引入MOS噪声;
(3)虽然可以通过尾电流管串联电感实现共模信号的高阻通路,增大尾电流管尺寸,减少尾管电压裕度,同时抑制大尺寸带来的共模噪声;但是带有二次谐波抑制的Voltage-biased结构VCO同样可以实现共模噪声抑制,且不会额外引入MOS管噪声。Current-biased结构还是更适合于时钟占空比要求严格的情况下,或是需要源端大寄生电容的Class C VCO结构中。
参考文献
[1] Radio Frequency Integrated Circuits and Systems, Hooman Darabi.


