LCVCO设计-NMOS_ONLY和CMOS结构比较
NMOS_Only和CMOS结构比较

差分输出信号幅度:

效率:

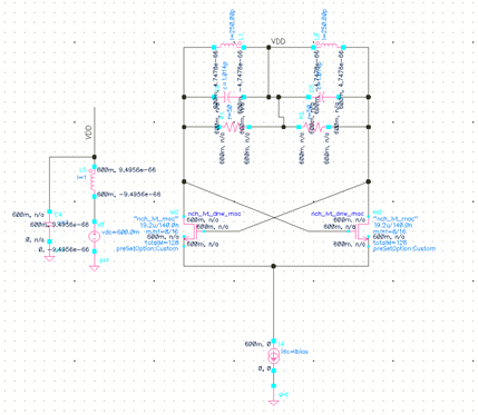
NMOS结构,满摆幅A=2VDD

差分输出信号幅度:

效率:

CMOS结构,满摆幅A=VDD;
对应本项目中NMOS Only结构,电源为0.6V,如果修改为CMOS结构,电源为0.9V,相同输出摆幅下两者效率

仅在满摆幅的时候,效率相等,小于满摆幅时,CMOS结构的效率更高。
其他对比:
- 相同偏置电流和LC tank(Rp)情况下,CMOS结构可以达到更大的摆幅,更好的相噪和效率;
- 当CMOS结构和NMOS Only结构同时达到各自最大摆幅时,NMOS Only结构有更好的相噪。



CMOS和NMOS结构的仿真Efficiency vs. Vrms曲线如下所示,CMOS满摆幅时的V_rms=0.9÷√2≈0.636V,NMOS满摆幅时的V_rms=1.2÷√2≈0.848V,此时两种结构对应的效率相等,约63%;相同摆幅下,CMOS结构效率更高。

①两者各自满摆幅:
CMOS满摆幅900mV时,Ibias为7.2mA,谐振频率8.021GHz,此时的对应的相噪为

NMOS满摆幅1.2V时,Ibias为18.63mA,谐振频率7.968GHz,此时的对应的相噪为

②相同摆幅:
相同摆幅900mV下,CMOS和NMOS的谐振频率分别为8.021GHz和7.97GHz,效率分别为63%和48.3%,相噪对比如下

参考文献
[1] Radio Frequency Integrated Circuits and Systems, Hooman Darabi.
本博客所有文章除特别声明外,均采用 CC BY-NC-SA 4.0 许可协议。转载请注明来源 丸子的小站!
评论


